<span style="font-size: 12pt;">★ 挠型联轴器 - 开缝型 - 止付式 – 长型。</span> <br /><span style="font-size: 12pt;">★ 零回转间隙。</span> <br /><span style="font-size: 12pt;">★ 弹性作用补偿径向、角向和轴向偏差。</span> <br /><span style="font-size: 12pt;">★高扭矩刚性和灵敏度。</span> <br /><span style="font-size: 12pt;">★ 顺时针和逆时针回转特性完全相同。</span> <br /><span style="font-size: 12pt;">★ 免维护,抗油和耐腐蚀性。</span> <br /><span style="font-size: 12pt;">★ 因其偏心、偏角、轴向位移皆为单独的容许值,所以当数种轴线偏心原因同时出现时,该容许值将会减少。</span> <p><br /><span style="font-size: 12pt;"><span style="color: #e03e2d;"><strong>★</strong></span><span style="color: #e03e2d;"><strong>此图为FAMML25,产品以规格叙述内容为准。</strong></span></span></p>">
Update:2022.11.9
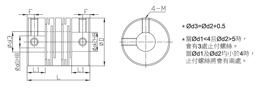
型号 | FAMML8 | |||
规 格 说 明 | 材质 | 超级杜拉铝 | ||
表面处理 | 阳极处理 | |||
配件 | 止付耐落螺丝 | |||
ØD | 8 | |||
Ød1 | 2 | 3 | ||
Ød2 | 2 / 3 | 3 | ||
L (mm) | 14 | |||
L1 (mm) | 3.5 | |||
M粗螺纹 (mm) | 2 | |||
F (mm) | 1.7 | |||
容许扭矩 (N・m) | 0.1 | |||
安装容许偏差 | 偏角 (°) | 2 | ||
偏心 (mm) | 0.1 | |||
轴向位移 (mm) | ± 0.2 | |||
静态弹性系数 (N・m / rad) | 25 | |||
最高回转数 (r / min-1) | 48000 | |||
惯性矩 (kg・m2) | 1.2 x 10-8 (依最大孔径计算) | |||
螺丝紧固扭矩 (N・m) | 0.3 | |||
质量 (g) | 1.4 (依最大孔径计算) |
联轴器固定方式 |
(1) 轴心的固定方式有以下五种。 |
联轴器安装示意 |
♦ 为保持各类型联轴器安装正常,避免两轴接触,保持正常运转,建议依下列图示装配 |
联轴器选用需知 |
♦ 感应马达 (1) 瞬间转动时有3倍以上的扭矩 (2) 马达心轴在运转时会有±1.5mm的往复运动,开缝型不建议使用 (3) 如使用直流马达可在粉尘的工作环境
♦ 步进马达 (1) 瞬间转动时无3倍扭矩,但为该马达最大额定扭力 (2) 低速时的扭矩比同等级的伺服马达为大 (3) 马达转速越高,扭矩会越小 (4) 连续运转时,马达会有温升(可使用弹片型来改善) * 步进马达的出力较伺服马达出力小
♦ 伺服马达 (1) 瞬间转动时有3倍以上的扭矩 (2) 在额定转速内,扭矩皆为定额扭矩 (3) 低速与高速时的扭矩相同 (4) 连续运转时,马达温升很小
♦ 编码器 (1) 内建于伺服马达,驱动扭矩极小 (2) 或连结于步进马达(选配) |