Search
English
All Categories
    Menu Close

    GWFF30


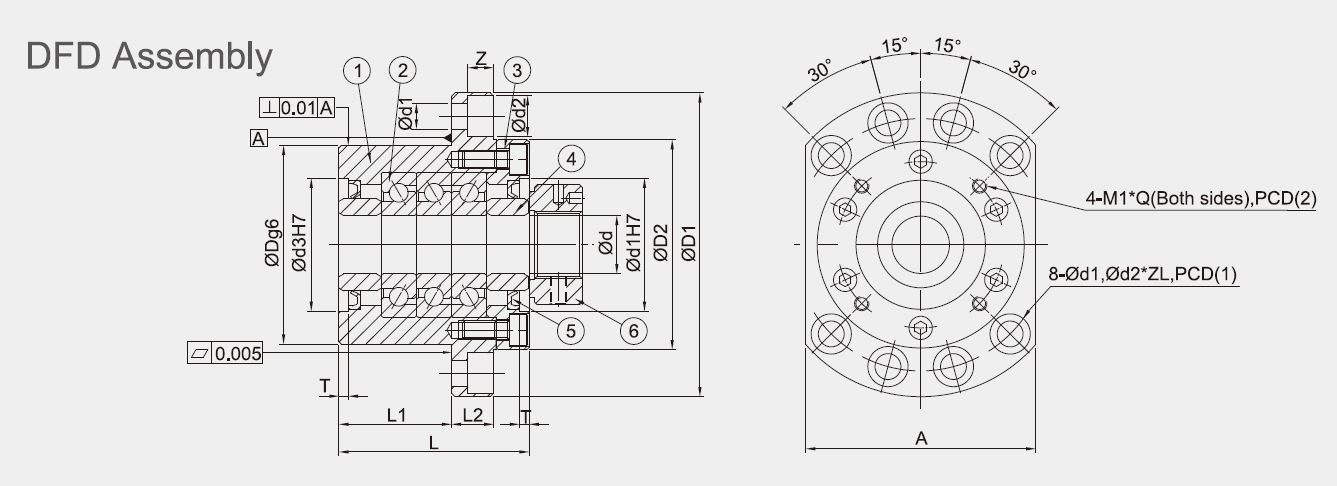
    ★ Support Unit – Heavy loading fixed side.
    ★ Applied TAC angular contact bearings.
    ★ Bearing combination is provided face to face (DF) and Face to back to face (DFD).
    Ship to
    *
    *
    Shipping Method
    Name
    Estimated Delivery
    Price
    No shipping options

    Update:2022.10.21

    Model No.

    GWFF30-DF

    GWFF30-DFD

    Specification

    Material

    S50C

    Surface Finish

    B:Black Dyed

    N:Ni-Plating

    Bearing combination

    DF:Face to faceDFD:Face to back to face

    Dimensions

    Ød (mm)

    30

    ØD (mm)

    85

    ØD1 (mm)

    130

    ØD2 (mm)

    90

    Ød3 (mm)

    57

    L (mm)

    6681

    L1 (mm)

    3348

    L2 (mm)

    18

    A (mm)

    100

    PCD (1) (mm)

    110

    PCD (2) (mm)

    70

    Ød1 (mm)

    10.7

    Ød2 (mm)

    17.5

    Z (mm)

    11

    T (mm)

    4

    M1 (mm)

    M6

    Q (mm)

    14

    Basic dynamic load (C) (N)

    2920047500

    Limited load (N)

    4300086000

    Pre-load (N)

    33504500

    Axial rigidity (N/um)

    10301520

    Start torque (N・cm)

    2433

    Shaft dimensions

    Ød (mm)

    30

    L3 (mm)

    89104

    L4 (mm)

    26

    Lock nut

    M (mm)

    M30 x P1.5

    Ød4 (mm)

    50

    L5 (mm)

    20

    Weight (Kg)

    3.03.3

     

     

    Support Unit Introduction

     

    ♦   Preload selection and applications

         - Light (L)

              * Machine Requirements:Equipments with small vibration and small thrust, load in one fixed direction. High accuracy is not required. Reduction of frictional force.

              * Application Examples:Laser welder, small CNCmill machine, cutter, welder, automatic tool changer, packing machine, material supply equipment.

         - Medium (M)

              * Machine Requirements:Equipments with load on a post. Equipments with a torque acting on it. Equipments working in one direction. Equipments with low load. Equipments with high accuracy.

              * Application Examples:Automated feeder, linear feeder, automatedpainting machine, precision slide table, Z-axis control on machines, PC board punch machine. Industrial robot, EDM machine, NC lathe.

         - Heavy (H)

              * Machine Requirements:High rigidity, high vibration, high thrust equipments. High load, high torque equipments.

              * Application Examples:Machining center spindle, NC lathe, Z-axis spindle of the machinery, milling machine, grinding wheel feeding of grinding machine.

     

    ♦  Pre-Loaded Description

         - Purpose:1. Increase the rotational accuracy of axle

                            2. Increase the rigidity of axle

                            3. Reduce unwanted clearance

                            4. Reduce vibration and noise while bearing stops.

         - What is bearing preload?:The preload describes the process wherein a permenant thrust road is applied to the bearing, so that the bearing is secure in the groove and has no axial clearence. Apply normal force (N). Measure value of L of a pair of bearings. L=L1+L2. Press these pair of bearings on the covers to apply preload and bring these bearings together

     

    ♦   Selection Notes

    - [ Model ]:Pick up the model according to assembly method.

       Assembly:

              1. Plane mounting:GAK、GBK、GEK、GAF、GBF、GEF、GSW、GSWE、GUN、GTN。

              2. Suspension and spindle mount:GFK、GFF、GRW、GRWE、GUR、GTR。

    - [ Size ]:Decide the size according to the ballscrew shaft O.D., and the center height.

    - [ Grade ]:Standard and economic types for options.

    - [ Pre-loaded ]:Decide pre-loaded of the bearing per needs.

    - [ Surface Finish ]:

                        Black dyed - Regular environment use, low humidity.

                        Nickel plating - Clean room use.

    - [ Bearing category ]:Available Japanese series and Taiwanese series.

     

    Support Unit Assembly models & Steps