Search
English
All Categories
    Menu Close

    Small Ball Screw-Threaded-BS0602-M


    ★Standard spec、High quality、Fast delivery
    ★High precision, available micro-feeding
    ★The nut is compact and save space
    Ship to
    *
    *
    Shipping Method
    Name
    Estimated Delivery
    Price
    No shipping options

    Update:2023.11.02

    Spec

    Ground Spec

    Rolled Spec

    Nominal Dia (mm)

    66

    Ball Dia (mm)

    0.80.8

    Lead (mm)

    22

    B.C.D (mm)

    6.26.2

    Thread Direction

    RightRight

    Circuits

    1 Return x 3 Circuits1 Return x 3 Circuits

    Accuracy

    C1XC1YC3XC3YC5XC5YC5XC5YC7YC7Z

    Axial Backlash

    00.00500.00500.00500.0050.0050.01

    Dynamic Load Ca(N)

    550550

    Static Load Coa(N)

    930930

    Model No. / Spec

    Stroke

    Shaft Length L1

    Shaft Length L2

    Shaft Length L3

    Deviation Tolerance S1

    Cumlatice Deviation Tolerance S2

    Bearing Verticality Tolerance S3

    Nut Verticality Tolearance N1

    Lead Accuracy

    Mean Travel

    Lead Accuracy

    Variation

    BS0602KS-GC1□

    -65R103-M

    4065751030.010.0350.0050.010.0180.018

    BS0602KS-GC1□-95R133-M

    70951051330.010.0350.0050.010.0180.018

    BS0602KS-GC1□-125R163-M

    1001251351630.010.0350.0050.010.020.018

    BS0602KS-GC3□-65R103-M

    4065751030.010.0350.0050.010.0180.018

    BS0602KS-GC3□-95R133-M

    70951051330.010.0350.0050.010.0180.018

    BS0602KS-GC3□-125R163-M

    1001251351630.010.0350.0050.010.020.018

    BS0602KS-GC5□-65R103-M

    4065751030.010.0350.0050.010.0180.018

    BS0602KS-GC5□-95R133-M

    70951051330.010.0350.0050.010.0180.018

    BS0602KS-GC5□-125R163-M

    1001251351630.010.0350.0050.010.020.018

    BS0602KS-RC5□-65R103-M

    4065751030.01

    0.035

    0.0050.010.0180.018

    BS0602KS-RC7□-65R103-M

    4065751030.0140.0450.0070.014Travel Distance:±0.05/300

    BS0602KS-RC5□-95R133-M

    70951051330.01

    0.035

    0.0050.010.0180.018

    BS0602KS-RC7□-95R133-M

    70951051330.0140.0450.0070.014Travel Distance:±0.05/300

    BS0602KS-RC5□-125R163-M

    1001251351630.01

    0.035

    0.0050.010.020.018

    BS0602KS-RC7□-125R163-M

    1001251351630.0140.0450.0070.014Travel Distance:±0.05/300

     

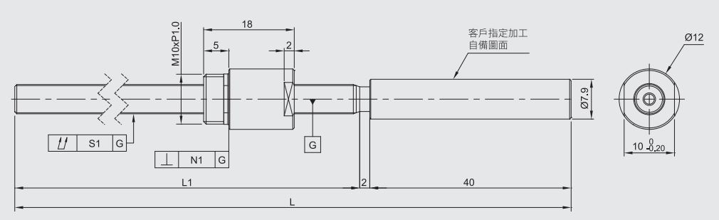
    Machining less to the end shaft:

    Machining less to the end shaft

    Model No. / Spec

    Stroke

    Shaft Length L1

    Shaft Length L

    Cumlatice Deviation Tolerance S1

    Nut Verticality Tolearance N1

    Lead Accuracy

    Mean Travel

    Lead Accuracy

    Variation

    BS0602KS-GC1□

    -65R107-M

    40651070.0350.010.0180.018

    BS0602KS-GC1□-95R137-M

    70951370.0350.010.0180.018

    BS0602KS-GC1□-125R167-M

    1001251670.0350.010.020.018

    BS0602KS-GC3□-65R107-M

    40651070.0350.010.0180.018

    BS0602KS-GC3□-95R137-M

    70951370.0350.010.0180.018

    BS0602KS-GC3□-125R167-M

    1001251670.0350.010.020.018

    BS0602KS-GC5□-65R107-M

    40651070.0350.010.0180.018

    BS0602KS-GC5□-95R137-M

    70951370.0350.010.0180.018

    BS0602KS-GC5□-125R167-M

    1001251670.0350.010.020.018

    BS0602KS-RC5□-65R107-M

    40651070.0350.010.0180.018

    BS0602KS-RC7□-65R107-M

    40651070.0450.014Travel Distance:±0.05/300

    BS0602KS-RC5□-95R137-M

    70951370.0350.010.0180.018

    BS0602KS-RC7□-95R137-M

    70951370.0450.014Travel Distance:±0.05/300

    BS0602KS-RC5□-125R167-M

    1001251670.0350.010.020.018

    BS0602KS-RC7□-125R167-M

    1001251670.0450.014Travel Distance:±0.05/300