搜尋
繁體中文
產品資訊
    Menu Close

    中型精密滾珠螺桿-法蘭方型-BSM2505-S


    ★規格標準化、價格實惠、供貨迅速
    ★高精度、多種導程可選擇
    ★螺帽安裝尺寸,可與大廠規格對應互換
    Ship to
    *
    *
    Shipping Method
    Name
    Estimated Delivery
    Price
    No shipping options

    Update:2023.10.23

    規格/種類

    研磨級規格

    研磨級-軸端未加工規格

    軸徑 (mm)

    2525

    珠徑 (mm)

    3.1753.175

    導程 (mm)

    55

    B.C.D (mm)

    25.5

    25.5

    螺紋旋向

    循環圈數

    2.5圈 x 1列2.5圈 x 1列

    精度

    C5XC5VC5XC5V

    軸向間隙

    0-0.0020-0.002

    動態負荷Ca(N)

    57009100

    靜態負荷Coa(N)

    1090021800

     

    研磨級:

    BSM2505B2-GC□□-S

    螺桿規格

    螺帽規格

    精度

    C5C5C5

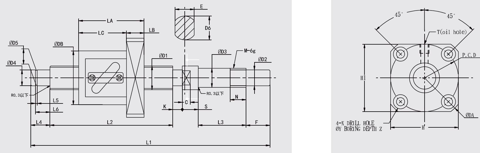
    螺帽規格 LA

    48

    有效行程

    200300400

    螺帽規格 LB

    12

    螺桿規格 L1

    451551651

    螺帽規格 LC

    36

    螺桿規格 L2

    315415515

    螺帽規格 DA

    74

    螺桿規格 L3

    535353

    螺帽規格 DB

    47

    螺桿規格 L4

    313131

    螺帽規格 H

    57

    螺桿規格 L5

    1.351.351.35

    螺帽規格 H1

    57

    螺桿規格 L6

    15.3515.3515.35

    螺帽規格 PCD

    60

    螺桿規格 F

    272727

    螺帽規格 X

    6.6

    螺桿規格 D1

    252525

    螺帽規格 Y

    11

    螺桿規格 D2

    151515

    螺帽規格 Z

    6.5

    螺桿規格 D3

    202020

    螺帽規格 T

    M6x1.0

    螺桿規格 D4

    202020  

    螺桿規格 D5

    191919  

    螺桿規格 D6

    252525  

    螺桿規格 E

    222222  

    螺桿規格 S

    202020  

    螺桿規格 C

    101010  

    螺桿規格 K

    555  

    螺桿規格 N

    161616  

    螺桿規格 M

    M20x1.0M20x1.0M20x1.0  

     

    研磨級-軸端未加工:

    BSM2505B1-GC□□-S

    螺桿規格

    螺帽規格

    精度

    C5C5C5

    螺帽規格 LA

    48

    有效行程

    430730930

    螺帽規格 LB

    12

    螺桿規格 L1

    6009001100

    螺帽規格 LC

    36

    螺桿規格 L2

    495795995

    螺帽規格 DA

    74

    螺桿規格 L3

    100100100

    螺帽規格 DB

    47

    螺桿規格 D1

    252525

    螺帽規格 H

    57

    螺桿規格 D3

    252525

    螺帽規格 H1

    57
        

    螺帽規格 PCD

    60
        

    螺帽規格 X

    6.6
        

    螺帽規格 Y

    11
        

    螺帽規格 Z

    6.5
        

    螺帽規格 T

    M6x1.0