搜尋
繁體中文
產品資訊
    Menu Close

    小型滾珠螺桿-鎖牙型-BS0808-M


    ★規格標準化、低價格、供貨迅速
    ★高精度、可微量進給
    ★螺帽精巧不佔空間
    Ship to
    *
    *
    Shipping Method
    Name
    Estimated Delivery
    Price
    No shipping options

    Update:2023.11.06

    規格/種類

    研磨級規格

    轉造級規格

    軸徑 (mm)

    88

    珠徑 (mm)

    22

    導程 (mm)

    88

    B.C.D (mm)

    8.38.3

    螺紋旋向

    循環圈數

    1.7圈 x 1列1.7圈 x 1列

    精度

    C1XC1YC3XC3YC5XC5YC5XC5YC7YC7Z

    軸向間隙

    00.00500.00500.00500.0050.0050.01

    動態負荷Ca(N)

    16801680

    靜態負荷Coa(N)

    23202320

    型號/規格

    行程

    軸長L1

    軸長L2

    軸長L3

    偏轉公差S1

    螺桿總偏轉公差S2

    軸承座垂直度公差S3

    螺帽垂直度公差N1

    導程精度

    代表移動量

    導程精度

    變動

    BS0808D1-GC1□

    -190R250-M

    1501902112500.010.050.0050.010.020.018

    BS0808D1-GC1□-240R300-M

    2002402613000.010.0650.0050.010.0230.018

    BS0808D1-GC1□-290R350-M

    2502903113500.010.0650.0050.010.0230.018

    BS0808D1-GC3□-190R250-M

    1501902112500.010.050.0050.010.020.018

    BS0808D1-GC3□-240R300-M

    2002402613000.010.0650.0050.010.0230.018

    BS0808D1-GC3□-290R350-M

    2502903113500.010.0650.0050.010.0230.018

    BS0808D1-GC5□-190R250-M

    1501902112500.010.050.0050.010.020.018

    BS0808D1-GC5□-240R300-M

    2002402613000.010.0650.0050.010.0230.018

    BS0808D1-GC5□-290R350-M

    2502903113500.010.0650.0050.010.0230.018

    BS0808D1-RC5□-190R250-M

    1501902112500.010.050.0050.010.020.018

    BS0808D1-RC7□-190R250-M

    1501902112500.0140.0650.0070.014運行距離:±0.05/300

    BS0808D1-RC5□-240R300-M

    2002402613000.010.0650.0050.010.0230.018

    BS0808D1-RC7□-240R300-M

    2002402613000.0140.080.0070.014運行距離:±0.05/300

    BS0808D1-RC5□-290R350-M

    2502903113500.010.0650.0050.010.0230.018

    BS0808D1-RC7□-290R350-M

    2502903113500.0140.080.0070.014運行距離:±0.05/300

     

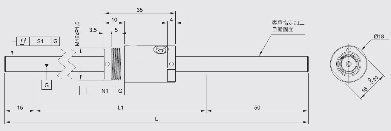
    軸端未加工:

    軸端未加工

    型號/規格

    行程

    軸長L1

    軸長L

    螺桿總偏轉公差S1

    螺帽垂直度公差N1

    導程精度

    代表移動量

    導程精度

    變動

    BS0808D1-GC1□-190R255-M

    1501902550.050.010.020.018

    BS0808D1-GC1□-240R305-M

    2002403050.0650.010.0230.018

    BS0808D1-GC1□-290R355-M

    2502903550.0650.010.0230.018

    BS0808D1-GC3□-190R255-M

    1501902550.050.010.020.018

    BS0808D1-GC3□-240R305-M

    2002403050.0650.010.0230.018

    BS0808D1-GC3□-290R355-M

    2502903550.0650.010.0230.018

    BS0808D1-GC5□-190R255-M

    1501902550.050.010.020.018

    BS0808D1-GC5□-240R305-M

    2002403050.0650.010.0230.018

    BS0808D1-GC5□-290R355-M

    2502903550.0650.010.0230.018

    BS0808D1-RC5□-190R255-M

    1501902550.050.010.020.018

    BS0808D1-RC7□-190R255-M

    1501902550.0650.014運行距離:±0.05/300

    BS0808D1-RC5□-240R305-M

    2002403050.0650.010.0230.018

    BS0808D1-RC7□-240R305-M

    2002403050.080.014運行距離:±0.05/300

    BS0808D1-RC5□-290R355-M

    2502903550.0650.010.0230.018

    BS0808D1-RC7□-290R355-M

    2502903550.080.014運行距離:±0.05/300