搜尋
繁體中文
產品資訊
    Menu Close

    GBK20-S 標準型


    ★ 螺桿支撐座 - 標準型 - 方型固定端 - 兩用鎖固。
    ★ 採用斜角滾珠軸承。
    ★ 預壓等級提供輕預壓、中預壓、重預壓,可供選擇。
    Ship to
    *
    *
    Shipping Method
    Name
    Estimated Delivery
    Price
    No shipping options

    Update:2022.10.17

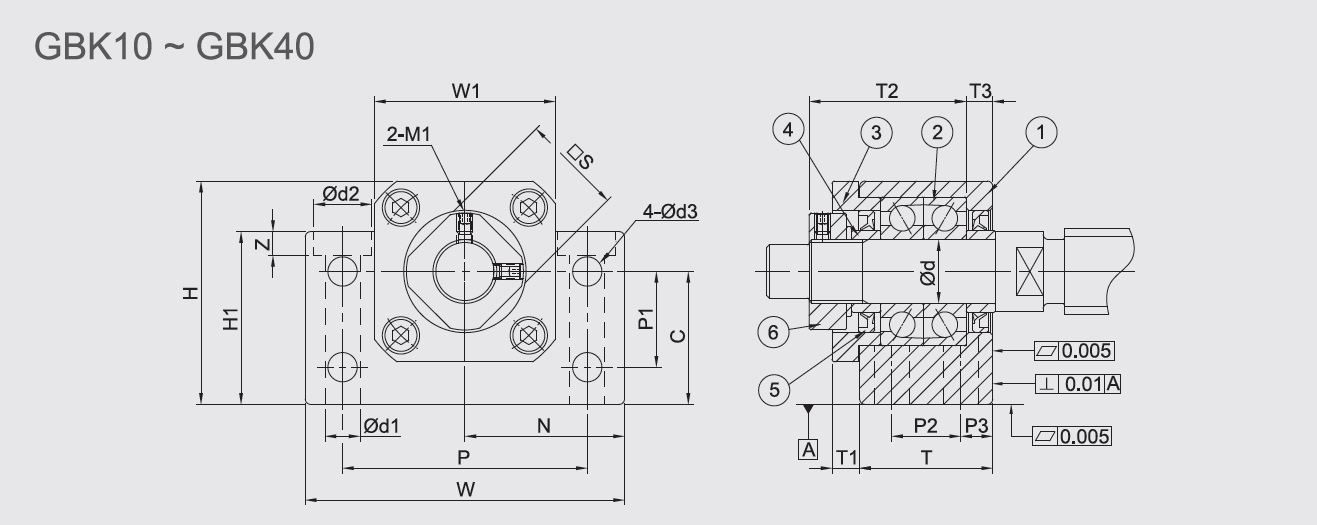
    型號

    GBK20-SL

    GBK20-SM

    GBK20-SH

    材質

    S50C

    表面處理

    B:染黑

    N:無電解鎳

    預壓等級

    L:輕預壓M:中預壓H:重預壓

    尺寸標註代號

    Ød (mm)

    20

    T (mm)

    35

    T1 (mm)

    8

    T2 (mm)

    43

    T3 (mm)

    8

    W (mm)

    88

    W1 (mm)

    50

    H (mm)

    59

    H1 (mm)

    50

    N ±0.02 (mm)

    44

    C (+0, -0.02) (mm)

    34

    P (mm)

    70

    P1 (mm)

    22

    P2 (mm)

    19

    P3 (mm)

    8

    Ød1 (mm)

    8.7

    Ød2 (mm)

    14

    Z (mm)

    8.5

    Ød3 (mm)

    6.6

    M1 (mm)

    M4

    口S (mm)

    30

    搭配滾珠螺桿軸外徑

    ØD (mm)

    25 / 28

    軸端部外徑

    Ød (mm)

    20 (-0.005, -0.014)

    軸端加工尺寸

    ØA (mm)

    17

    B (mm)

    53

    C (mm)

    25

    公稱螺紋

    M (mm)

    M20 x P 1.0

    L (mm)

    15

    間隔環長度

    T4 (mm)

    8

     

     

    螺桿支撐座介紹

     

    ♦   預壓與應用說明

         - 輕預壓 (L)

              * 適用條件:負荷方向一定,要求振動、衝擊力小、滑動阻力小或轉速高的設備。

              * 參考應用:射束焊接機械、自動包裝機、輕型數控銑床、一般工業機械移動軸、自動門窗加工機、銲接機、熔斷機、工具交換裝置、裝訂機械、各種材料供給裝置、數控雕銑機。

         - 中預壓 (M)

              * 適用條件:有懸臂負載或力矩作用的裝置和單軸使用及輕負荷高精度的設備。

              * 參考應用:磨床工作台進給軸、自動塗裝機、測定器、各種高速材料供給裝置、精密XY平台、一般工業機械的軸、印刷線路板的打孔機、電火花加工機、工業用機器人、NC車床。

         - 重預壓 (H)

              * 適用條件:要求高剛性,且振動、衝擊力大、高扭矩的設備。

              * 參考應用:機械加工中心軸、NC車床、工作機械的Z軸、銑床、磨床的砂輪進給軸。

     

    ♦   GMT螺桿支撐座預壓目的說明

         - 目的:1. 提高軸之旋轉精度

                      2. 提高軸之剛性

                      3. 防止軸之震動及異音

                      4. 防止軸承停止中之震動、碰撞痕

         - 何謂預壓:使用額定荷重(N)值,測得(L)值之成對軸承置入固定端後,以軸承壓蓋向外環施加壓力,使將兩軸結合,產生預壓。

     

    ♦   產品選用注意事項

    - [型號]:依照螺桿支撐座『安裝方式』選擇螺桿支撐座系列。

       安裝方式:

              1. 平面安裝型:GAK、GBK、GEK、GAF、GBF、GEF、GSW、GSWE、GUN、GTN。

              2. 嵌入安裝型:GFK、GFF、GRW、GRWE、GUR、GTR。

    - [規格]:再依螺桿外徑與中心高選擇型號。

    - [等級]:依標準型、經濟型區分。

    - [預壓]:依客戶需求選配軸承預壓。

    - [表處]:依使用環境選擇表處方式:鍍化學鎳或染黑。

                        染黑:一般環境(低濕度)。

                        化學鎳(或稱化鎳、無電解鎳):無塵室。

    - [軸承系列]:有日系軸承和台系軸承。

     

    螺桿支撐座組裝範例&步驟